TOP
KY平台-KY(中国)一站式服务平台
首页
KY(中国)一站式服务平台
KY平台
新闻动态
产品应用
联系我们
样本下载
传动机械
>> JZQ型圆柱齿轮减速机
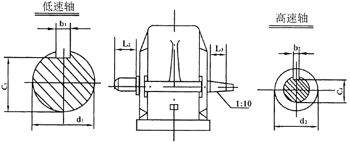
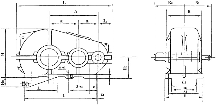
JZQ型圆柱齿轮减速机
点击数:22647 录入时间:2022/10/25
返回上级产品
九游(NINE GAME)体育·官方网站
|
开云·体育
|
J9体育(China)有限责任公司官网
|
乐鱼官方网站
|
开云在线
|
安博体育
|
Huatihui官方网站
|
开云体育
|
安博足球_安博体育官方网站
|